SEGUIDOR DE RECLUSORIOS
CAT. BALA
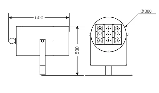
Proyector en tecnología LED de excelente eficiencia lumínica, fabricado de lámina de acero rolado en frío calibre 20, a un diámetro de 12” con un largo de 50 cm, soldada con soldadura de microalambre de acero, cuenta con vetas para disipación de calor. fabricada de solera de acero.
CONJUNTO ÓPTICO
Cuenta con ópticas selladas con empaques de silicón vulcanizado resistentes a altas temperaturas, garantizando la hermeticidad del luminario, con opción a una gran variedad de curvas fotometricas para una iluminación más eficiente.
Potencia
200W
Flujo Luminoso
27,000 lm
Temperaturas de color
5000K
Fotometrías
HB10
Factor de Potencia
>0.95
Eficacia
135 lm / W
Vida Promedio
50,000 Hrs
Protección contra descargas atmosféricas
12 kv



